
Prowadzisz klub lub restaurację? A może jest właścicielem Kina? Potrzebujesz rozdzielnicy, która dopasuje się do ciemnych wnętrz? Mamy rozwiązanie!
⭐⭐⭐⭐⭐
➡️ Rozdzielnica elektryczna BAU 32A 16A 3x230V Doktorvolt®, zalety:
✔️ Kompaktowa i zwarta obudowa wykonana z najlepszej jakości materiałów,
✔️ wyposażona w trzy gniazda 230 V 16 A, gniazda siłowe 32 A 400 V, 16 A 400 V oraz wtyczkę odbiornikową 16A Mennekes,
✔️ okablowanie i gniazda pochodzące od renomowanych producentów osprzętu elektrycznego,
✔️ klasa szczelności erbetki IP 44,
✔️ gotowa do podłączenia.
➡️ Rozdzielnica elektryczna BAU 32A 16A 3x230V Doktorvolt®, zastosowanie:
✔️ Na placach i obszarach budów oraz podczas prac drogowych,
✔️ do zakładów przemysłowych,
✔️ w warsztatach i garażach, w których konieczne jest podłączenie urządzeń do gniazda siłowego,
✔️ podczas samodzielnej budowy domu,
✔️ do zasilania w energię elektryczną terenów zielonych i imprez masowych na świeżym powietrzu.
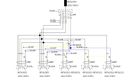
➡️ Prezentowana rozdzielnica budowlana wyposażona została w:
✔️ gniazdo siłowe 1x 400V 16A, 1x 400V 32A o klasie szczelności IP 44,
✔️ wtyczka odbiornikowa 16 A,
✔️ trzy gniazda 3x 230V 16A o klasie szczelności IP 54,
✔️ okablowanie.
➡️ Firma Doktorvolt® w procesie produkcji rozdzielnic wdrożyła system zarządzania certyfikowany przez TÜV SÜD:
✔️ gwarancja wysokiej jakości,
✔️ transparentny przepływ informacji,
✔️ gwarancja w zakresie bezpieczeństwa,
✔️ zapewniona dobra obsługa klienta.
Prowadzisz klub lub restaurację? A może jest właścicielem Kina? Potrzebujesz rozdzielnicy, która dopasuje się do ciemnych wnętrz? Mamy rozwiązanie!
Wiosna nieodłącznie wiąże się z burzami i gwałtownymi wyładowaniami atmosferycznymi. To także czas, w którym warto pomyśleć o ochronie swoich sprzętów, podłączonych do instalacji elektrycznej. W tym miejscu pojawiają się ograniczniki przepięciowe. Czym jest ogranicznik przepięć, jaka jest jego zasada działania, budowa i cena bezpiecznika? Jak podłączyć ogranicznik przepięciowy?