Sterownik rolet Czujnik opadów deszczu F&F STR-R
- F&F Czujnik opadów deszczu
Czujnik opadów deszczu STR-R
| Sterownik | |
| zasilanie | 100÷265 V AC |
| maks. obciążenia (AC-1) | 2A / 230 V |
| pobór mocy: stan czuwania/praca |
<0,2 W/ <0,6 W |
| stopień ochrony | IP20 |
| sygnalizacja: zasilania/silny wiatr i załączenie |
LED zielona U/ LED czerwona OUT |
| izolacja (zasilanie-czujnik-styk) | ≥ 500 V |
| max. moment dokręcający | 0,4 Nm |
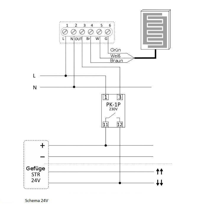
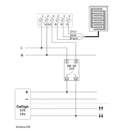
| styk | zamknięcie przekaźnika powoduje pojawienie się poziomu linii N |
| temperatura pracy (bez kondensacji pary) | -15°C...+50°C |
| rodzaj przyłącza |
zaciski śrubowe 2,5 mm² |
| wymiary |
67×50×26 mm |
| Czujnik opadów | |
| przewód |
3× 0,25 mm² / l = 5 m |
| zasilanie |
8÷32V DC |
| stopień ochrony |
IP65 |
| wymiary |
55×50x13 mm |
| mocowanie |
otwór pod wkręt Ø3 / taśma klejąca |
| producent | F&F Filipowski |
| typ | STR-R |
| EAN |
5908312597773 |

Zapytaj o produkt
Napisz swoją opinię








