
Prowadzisz klub lub restaurację? A może jest właścicielem Kina? Potrzebujesz rozdzielnicy, która dopasuje się do ciemnych wnętrz? Mamy rozwiązanie!
⭐⭐⭐⭐⭐
➡️ Rozdzielnica elektryczna TD-S/FI 32A 2x230V Doktorvolt®, zalety:
✔️ Kompaktowa i zwarta obudowa wykonana z najlepszej jakości materiałów,
✔️ wyposażona w dwa gniazda 230 V 16 A, oraz jedno gniazdo siłowe 400 V 32 A
✔️ okablowanie i gniazda pochodzące od renomowanych producentów osprzętu elektrycznego,
✔️ klasa szczelności erbetki IP 44,
✔️ gotowa do podłączenia,
✔️ zabezpieczenie nadprądowe gniazd,
✔️ ochrona przed dotykiem pośrednim,
✔️ wbudowany licznik zużycia energii.
➡️ Rozdzielnica elektryczna TD-S/FI 32A 2x230V Doktorvolt®, zastosowanie:
✔️ Na placach i obszarach budów oraz podczas prac drogowych,
✔️ do zakładów przemysłowych,
✔️ w warsztatach i garażach, w których konieczne jest podłączenie urządzeń do gniazda siłowego,
✔️ podczas samodzielnej budowy domu,
✔️ do zasilania w energię elektryczną terenów zielonych i imprez masowych na świeżym powietrzu.
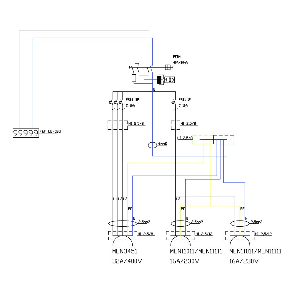
➡️ Prezentowana rozdzielnica budowlana wyposażona została w:
✔️ dwa gniazda 2x 230V 16A o klasie szczelności IP 54,
✔️ gniazdo 1x 400V 32A o klasie szczelności IP 44,
✔️ zabezpieczenie nadprądowe gniazd 230V 1 x C16 1P 10kA,
✔️ zabezpieczenie nadprądowe gniazda siłowego 400 V 1 x C32 3P 10kA,
✔️ zestaw śrub montażowych wraz z zaślepkami,
✔️ wyłącznik różnicowoprądowy 40A 30mA 4P,
✔️ trójfazowy licznik zużycia energii,
✔️ okablowanie.
➡️ Firma Doktorvolt® w procesie rozdzielnic wdrożyła system zarządzania certyfikowany przez TÜV SÜD:
✔️ gwarancja wysokiej jakości,
✔️ transparentny przepływ informacji,
✔️ gwarancja w zakresie bezpieczeństwa,
✔️ zapewniona dobra obsługa klienta.
Obudowa rozdzielnicy | |
ilość modułów | 12 |
ilość rzędów | 1 |
montaż | natynkowy |
stopień ochrony rozdzielnicy | IP44 |
napięcie znamionowe obudowy | 1000V |
wymiary obudowy z gniazdami | 360 x 250 x 200 mm |
materiał obudowy | technopolimer |
materiał drzwi | poliwęglan |
kolor przedniej płyty obudowy | szary RAL 7035 |
kolor tylnej płyty obudowy | czarny |
materiał śrub | stal nierdzewna |
materiał uszczelki | guma EPDM |
dławnica PG dołączona w zestawie | 1x PG-16 |
certyfikaty i normy | CE CEI-23-48/49 IEC 670 |
Gniazda i aparatura modułowa | |
ochrona przed dotykiem pośrednim | wyłącznik różnicowoprądowy 40A 30mA 4P Typ A RCCB |
gniazda siłowe | 1 x 32A 5P 400V IP44 czerwone Typ 1385 Mennekes |
zabezpieczenie nadprądowe gniazd siłowych | 1 x C32 3P 10kA |
gniazda 230V | 2 x 230V 16A Mennekes 11011 IP54 2P+E Niemiecki system Schuko |
zabezpieczenie nadprądowe gniazd 230V | 1 x C16 1P 10kA |
szyna łączeniowa | 3F 7M 12mm2 z kompletem zaślepek |
licznik zużycia energii elektrycznej | LE-02d MID F&F 3F AC +/- 10% 3 x 5A (80)A |
pozostałe składniki | zestaw śrub montażowych wraz z zaślepkami |
certyfikaty i normy wyłącznika różnicowoprądowego | IEC 61009-1 EN 61009-1 PN-EN-61009-1 STN EN 61009-1 EFS EFC CE |
certyfikaty i normy wyłączników nadprądowych | CSN EN 60898 SN EN 60947-2 EFS EFC VDE |
Okablowanie | |
rodzaj okablowania | Linka ster. H07V-K 2,5, 4 mm2 żółtoziel. Linka ster. H07V-K 2,5, 4 mm2 czarna Linka ster. H07V-K 2,5, 4, 6 mm2 niebieska |
normy i certyfikaty | CPR RoHS CE |
Informacje ogólne | |
prąd znamionowy | 40 A |
napięcie znamionowe | 230 / 400 V |
ICC | ≤ 10 kA |
RDF | 0,7 |
Informacje producenta | |
producent | Doktorvolt |
certyfikaty i normy producenta | TÜV SÜD ISO 9001:2015 CE IEC 61439 |
oznaczenie producenta | DV-9092-D |
EAN | 5903260279092 |
Prowadzisz klub lub restaurację? A może jest właścicielem Kina? Potrzebujesz rozdzielnicy, która dopasuje się do ciemnych wnętrz? Mamy rozwiązanie!
Okoliczności wymagające dużej konsumpcji prądu jak imprezy plenerowe, festyny, koncerty muzyczne, targi, outdoorowe spektakle itp., wymuszają na organizatorach zaopatrzenie się w odpowiedni sprzęt rozdzielający energię elektryczną. Wielu z nich staje przed ważnym pytaniem - czym kierować się przy doborze rozdzielnicy na takie okazje?
Praca na placach budowy, przy rozbudowie infrastruktury i naprawach dróg czy w warsztatach bardzo często stawia ludzi przed problemem zasięgu instalacji elektrycznej. Nierzadko jest on ograniczony do miejsc montażu naściennego. Przedłużacze nie zawsze są kompletnym rozwiązaniem w tej sytuacji. W wielu przypadkach potrzebny jest dostęp do większej ilości gniazd o różnym prądzie znamionowym w rejonach oddalonych od rozdzielnic stacjonarnych i gniazd natynkowych.