Automatyczny przełącznik faz z fazą priorytetową 16A F&F PF-431
- Automatyczny przełącznik faz PF-431
Automatyczny przełącznik faz PF-431
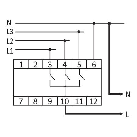
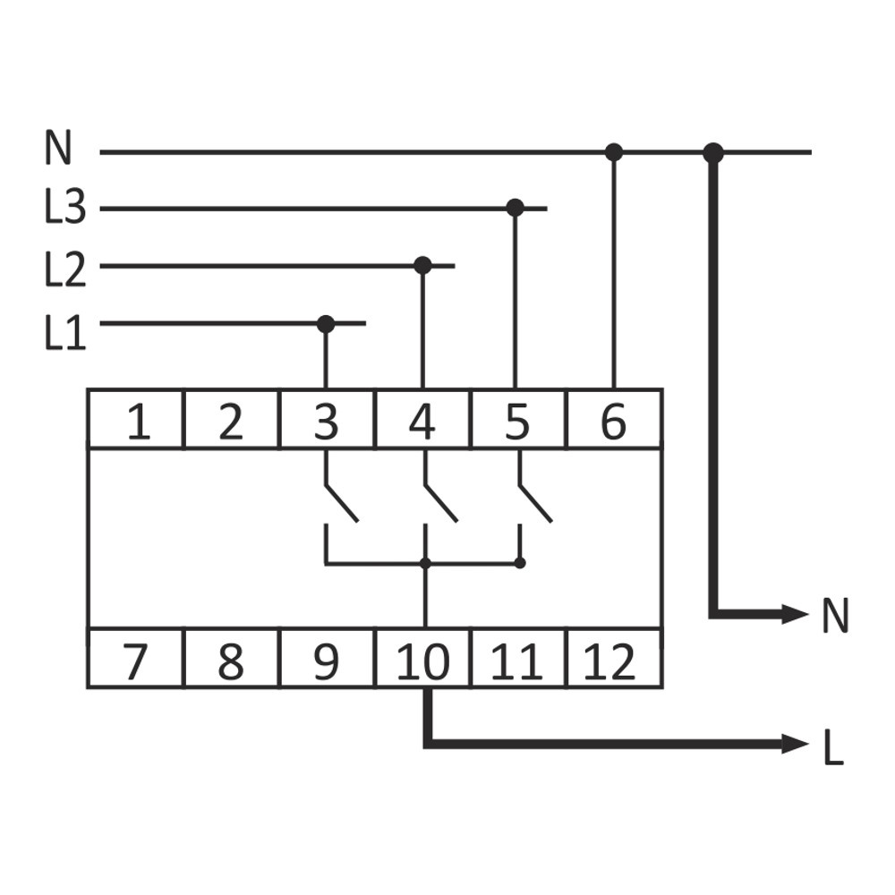
Automatyczny przełącznik faz, służy do zachowania ciągłości zasilania odbiornika jednofazowego, w przypadku zaniku fazy zasilającej lub spadku jej parametrów poniżej normy.
| napięcie wejściowe | 3× 230V+N |
| napięcie wyjściowe | 230V AC |
| prąd obciążenia AC-1 |
<16A |
| próg przełączenia dla L1 |
<195V |
| próg przełączenia dla L2 i L3 |
<190V |
| histereza | 5V |
| błąd pomiaru napięcia |
±1% |
| czas przełączenia | 0,5÷0,8s |
| sygnalizacja napięć wejściowych | 3× LED |
| pobór mocy | 0,8÷1,0W |
| temperatura pracy |
-25÷50ºC |
| montaż |
na szynie TH-35 |
| przyłącze | zaciski śrubowe 2,5mm² |
| wymiary | 3 moduły (52,5mm) |
| producent | F&F Filipowski |
| typ | PF-431 |
| EAN |
5908312594024 |

Zapytaj o produkt
Napisz swoją opinię






