16A Przekaźnik bistabilny impulsowy grupowy F&F BIS-412 230V
- BIS-412 230V 16A Przekaźnik bistabilny impulsowy grupowy (hotelowy) z wejściami sterującymi włącz i wyłącz na szynę F&F
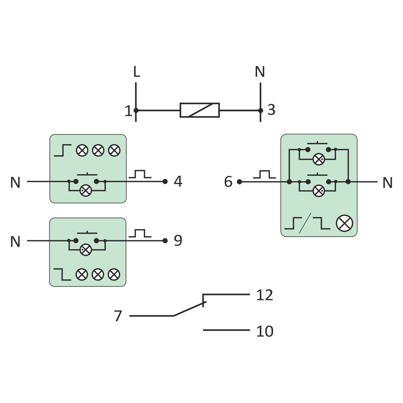
Przekaźnik bistabilny impulsowy BIS-412
Przekaźnik bistabilny elektroniczny impulsowy przeznaczony jest do pracy w układzie grupowym. Układ grupowy pozwala na wyłączenie lub włączenie przyciskami sterowania centralnego wszystkich odbiorników podłączonych do poszczególnych przekaźników.

| zasilanie |
230VAC |
| prąd obciążenia |
<16A |
| styk |
separowany 1P |
| opóźnienie zadziałania |
<0,2s |
| pobór mocy |
0,8W |
| sygnalizacja zasilania |
LED zielona |
| sygnalizacja zadziałania styku |
LED czerwona |
| temperatura pracy |
-25°C...+50°C |
| przyłącze |
zaciski śrubowe 2,5mm² |
| wymiary |
1 moduł (18mm) |
| stopień ochrony |
IP20 |
| montaż na szynie |
DIN (TH/TS 35) |
| maks. prąd przycisków sterujących |
Σ5mA |
| prąd impulsu sterującego |
<1mA |
| producent |
F&F Filipowski |
| typ | BIS-412 230V |
| EAN | 5908312596226 |

Zapytaj o produkt
Napisz swoją opinię










