Przekaźnik bistabilny 24V 16A AC/DC F&F BIS-411-24V
Przekaźnik bistabilny 24V F&F
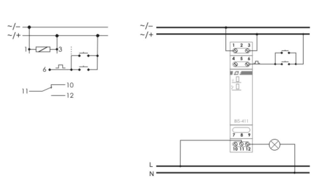
Elektroniczny przekaźnik bistabilny umożliwia załączenie oświetlenia lub innego urządzenia z kilku różnych punktów za pomocą równolegle połączonych przycisków sterujących.
Załączenie odbiornika następuje po impulsie prądu spowodowanym naciśnięciem dowolnego przycisku chwilowego (dzwonkowego) podłączonego do przekaźnika. Wyłączenie odbiornika nastąpi po następnym impulsie lub po zaniku zasilania.
Dane techniczne
- Napięcie zasilania: 9÷30 V AC/DC
- Sterowanie lokalne: TAK
- Maksymalny prąd obciążenia AC-1: 16 A
- Element wykonawczy: przekaźnik
- Konfiguracja styków: 1 × NO/NC
- Odporność na prądy udarowe - współpraca z LED: NIE
- Ilość kanałówa: 1x
- Prąd impulsu sterującego: mniej niż 1 mA
- Opóźnienie zadziałania: 0,1 ÷ 0,2 s
- Moment dokręcający: 0,4 Nm
- Pobór mocy: 0,7 W
- Zaciski śrubowe: 2,5 mm²
- Temperatura pracy: -25 ÷ 50 °C
- Montaż: na szynie 35 mm
- Wymiary: 1 moduł (18 mm)
- Stopień ochrony: IP 20
- nr normy: IEC 61095
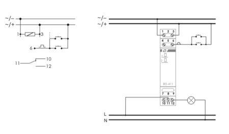
Schemat:

Marka
Symbol
BIS-411-24V
Kod producenta
5908312594055
Typ produktu
Przekaźniki elektromagnetyczne
Napięcie zasilania
9÷30 V AC/DC
Stopień ochrony
IP20
Maks. Obciążenie
16 A
WYMIARY
1 Modul (18 mm)
EAN
5908312594055

Zapytaj o produkt
Napisz swoją opinię










