Zabezpieczona rozdzielnica budowlana GR-S/FI SKH 16x230V gniazda Mennekes Doktorvolt®
Niemiecki system gniazd Schuko
⭐⭐⭐⭐⭐
➡️ Rozdzielnica elektryczna GR-S/FI SKH 16x230V Doktorvolt®, zalety:
✔️ Kompaktowa i zwarta obudowa wykonana z najlepszej jakości materiałów,
✔️ wyposażona w szesnaście gniazda 16x 230 V 16 A producenta Mennekes,
✔️ okablowanie i gniazda pochodzące od renomowanych producentów osprzętu elektrycznego,
✔️ klasa szczelności erbetki IP 44,
✔️ gotowa do podłączenia,
✔️ zabezpieczenie nadprądowe gniazd,
✔️ ochrona przed dotykiem pośrednim.
➡️ Rozdzielnica elektryczna GR-S/FI SKH 16x230V Doktorvolt®, zastosowanie:
✔️ Na placach i obszarach budów oraz podczas prac drogowych,
✔️ do zakładów przemysłowych,
✔️ w warsztatach i garażach, w których konieczne jest podłączenie urządzeń do gniazda siłowego,
✔️ podczas samodzielnej budowy domu,
✔️ do zasilania w energię elektryczną terenów zielonych i imprez masowych na świeżym powietrzu.
VIDEO
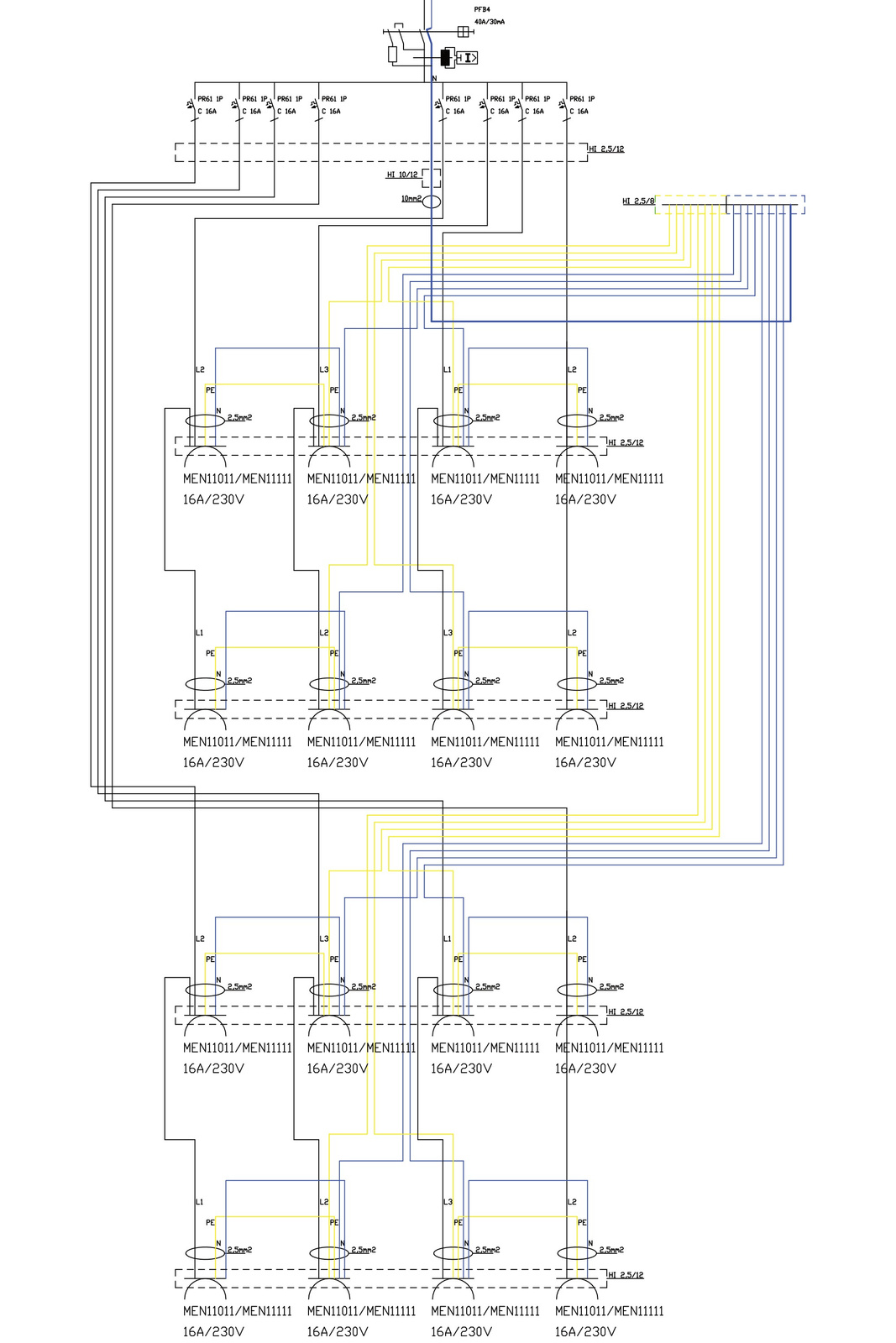
➡️ Prezentowana rozdzielnica budowlana wyposażona została w:
✔️ szesnaście gniazd 16x 230V 16A o klasie szczelności IP 54,
✔️ zabezpieczenie nadprądowe gniazd 230V 8 x C16 1P 10kA ,
✔️ wyłącznik różnicowoprądowy 40A 30mA 4P,
✔️ szyna łączeniowa 11-modułowa,
✔️ okablowanie.
➡️ Firma Doktorvolt® w procesie produkcji rozdzielnic wdrożyła system zarządzania certyfikowany przez TÜV SÜD:
✔️ gwarancja wysokiej jakości,
✔️ transparentny przepływ informacji,
✔️ gwarancja w zakresie bezpieczeństwa,
✔️ zapewniona dobra obsługa klienta.
Obudowa rozdzielnicy
ilość modułów
19
ilość rzędów
1
montaż
natynkowy
stopień ochrony rozdzielnicy
IP54
wymiary obudowy z gniazdami
400 x 515 x 135 mm
materiał obudowy
technopolimer
materiał drzwi
poliwęglan
kolor przedniej płyty obudowy
szary
kolor tylnej płyty obudowy
czarny
materiał śrub
stal nierdzewna
materiał uszczelki
guma EPDM
dławnica PG dołączona w zestawie
1x PG-29
certyfikaty i normy
CE
Gniazda i aparatura modułowa
zabezpieczenia gniazd 230 V
wyłącznik nadprądowy
8x C16A 10kA 1P
gniazda 230V
16 x 230V 16A 11111 IP54 2P+EMennekes Niemiecki system Schuko
ochrona przed dotykiem pośrednim
wyłącznik różnicowoprądowy 40A 30mA 4P
szyna łączeniowa
3-fazowa 11 modułowa 12mm2
Okablowanie
rodzaj okablowania
Linka ster. H07V-K 2,5mm2, żółtoziel. Linka ster. H07V-K 2,5mm2 czarna Linka ster. H07V-K 2,5mm2, 6mm2 niebieska
Informacje ogólne
prąd znamionowy
40 A
napięcie znamionowe
230 / 400 V 50Hz AC
ICC
≤ 10 kA
RDF
0,6
Informacje producenta
producent
Doktorvolt
certyfikaty i normy producenta
TÜV SÜD ISO 9001:2015 CE IEC 61439
oznaczenie producenta
DV-9078-D
EAN
5903260279078
Zabezpieczenie
Wyłącznik nadprądowy + Wyłącznik różnicowoprądowy