Rozdzielnica budowalana FRED 2x16A 2x230V Schuko Mennekes Doktorvolt® DV-2152-D
Rozdzielnica budowlana FRED 2x16A 2x230, gniazda Mennekes Doktorvolt®
Niemiecki system gniazd 230V - Schuko
⭐⭐⭐⭐⭐
➡️ Rozdzielnica elektryczna FRED 2x16A 2x230 Doktorvolt®, zalety:
✔️ Kompaktowa i zwarta obudowa wykonana z najlepszej jakości materiałów,
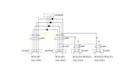
✔️ wyposażona w dwa gniazda 230V 16A oraz gniazda siłowe 2x 400V 16A, producenta Mennekes,
✔️ okablowanie i gniazda pochodzące od renomowanych producentów osprzętu elektrycznego,
✔️ klasa szczelności erbetki IP 44,
✔️ gotowa do podłączenia,
➡️ Rozdzielnica elektryczna FRED 2x16A 2x230 Doktorvolt®, zastosowanie:
✔️ Na placach i obszarach budów oraz podczas prac drogowych,
✔️ do zakładów przemysłowych,
✔️ w warsztatach i garażach, w których konieczne jest podłączenie urządzeń do gniazda siłowego,
✔️ podczas samodzielnej budowy domu,
✔️ do zasilania w energię elektryczną terenów zielonych i imprez masowych na świeżym powietrzu.
➡️ Prezentowana rozdzielnia budowlana wyposażona została w:
✔️ dwa gniazda 2x 230V 16A o klasie szczelności IP 54,
✔️ gniazda siłowe 2x 400V 16A oraz o klasie szczelności IP 44,
✔️ okablowanie,
✔️ dławnica PG.
➡️ Firma Doktorvolt® w procesie produkcji rozdzielnic wdrożyła system zarządzania certyfikowany przez TÜV SÜD:
✔️ gwarancja wysokiej jakości,
✔️ transparentny przepływ informacji,
✔️ gwarancja w zakresie bezpieczeństwa,
✔️ zapewniona dobra obsługa klienta.

| Obudowa rozdzielnicy | |
| obudowa | puszka hermetyczna 010.A.PL |
| montaż | natynkowy |
| stopień ochrony rozdzielnicy | IP44 |
| wymiary obudowy z gniazdami | 245 x 195 x 95 mm |
| maksymalny przekrój przewodu przyłączeniowego | 16mm2 |
| materiał obudowy | PVC |
| kolor przedniej płyty obudowy | szary RAL 7035 |
| kolor tylnej płyty obudowy | czarny |
| dławnica PG dołączona w zestawie | PG-16 |
| Certyfikaty | CE |
| Gniazda i aparatura modułowa | |
| gniazda 230V |
2 x 230V 16A 2p+Z IP54 niebieskie Typ 11011 system Schuko Typ F Mennekes |
| gniazda siłowe |
2x 400V 16A IP44 czerwone Typ 1385 Mennekes |
| okablowanie | |
| rodzaj okablowania | Linka ster. H07V-K 2,5 mm2, 4mm2 żółtoziel. Linka ster. H07V-K 2,5mm2 4mm2 czarna Linka ster. H07V-K 2,5mm2, 4mm2 niebieska |
| Informacje ogólne | |
| prąd znamionowy | 32 A |
| napięcie znamionowe | 230V 50Hz AC |
| ICC | ≤ 10 kA |
| RDF | 0,8 |
| Informacje producenta | |
| producent | Doktorvolt |
| certyfikaty i normy producenta | TÜV SÜD ISO 9001:2015 CE IEC 61439 |
| oznaczenie producenta | DV-2152-D |
| EAN | 5905669992152 |













